登录
|
注册
|
产品
接头
球阀
针阀
隔膜阀
背压阀
减压阀
计量阀
单向阀
压力表阀
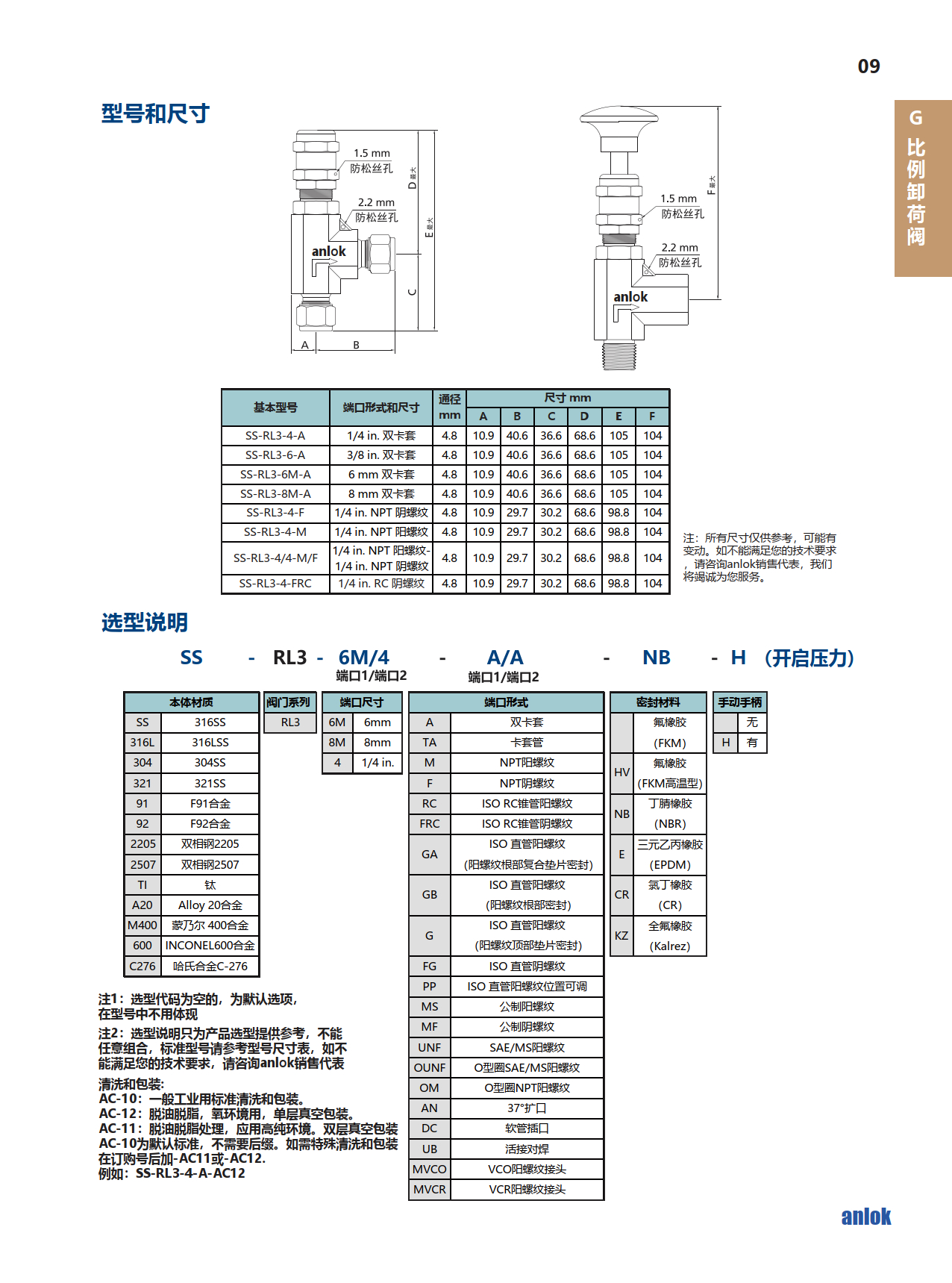
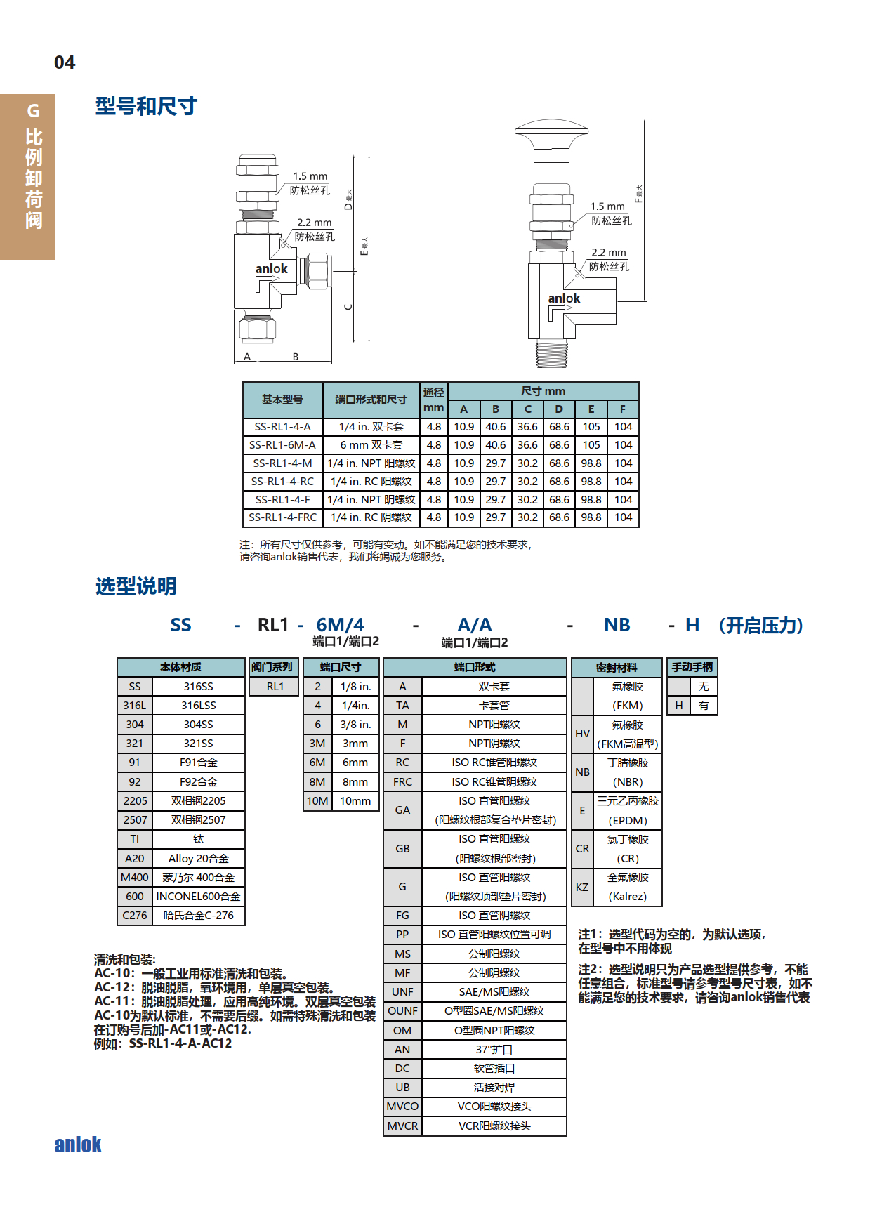
比例卸荷阀
波纹管阀
过滤器
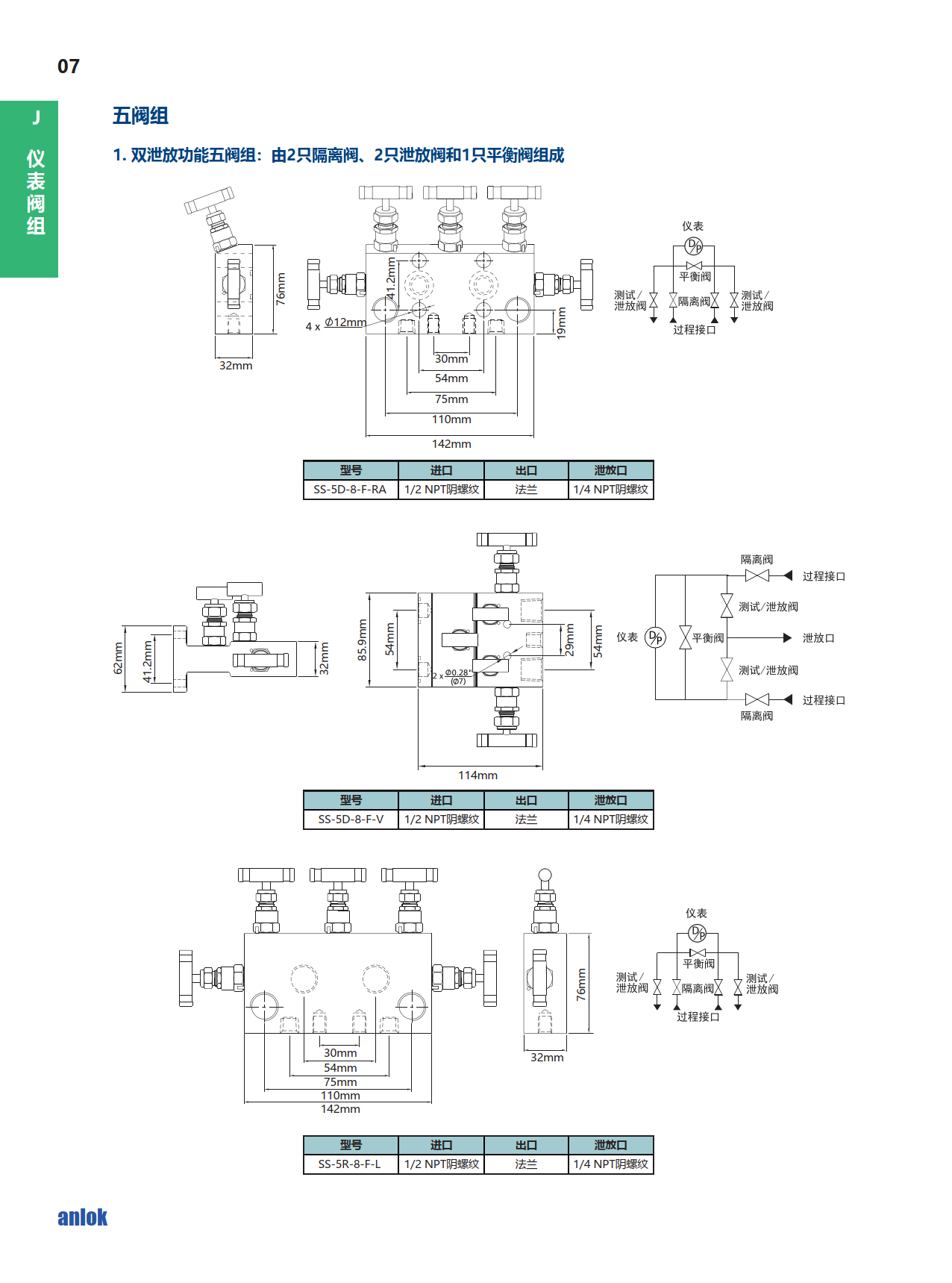
仪表阀组
压力表
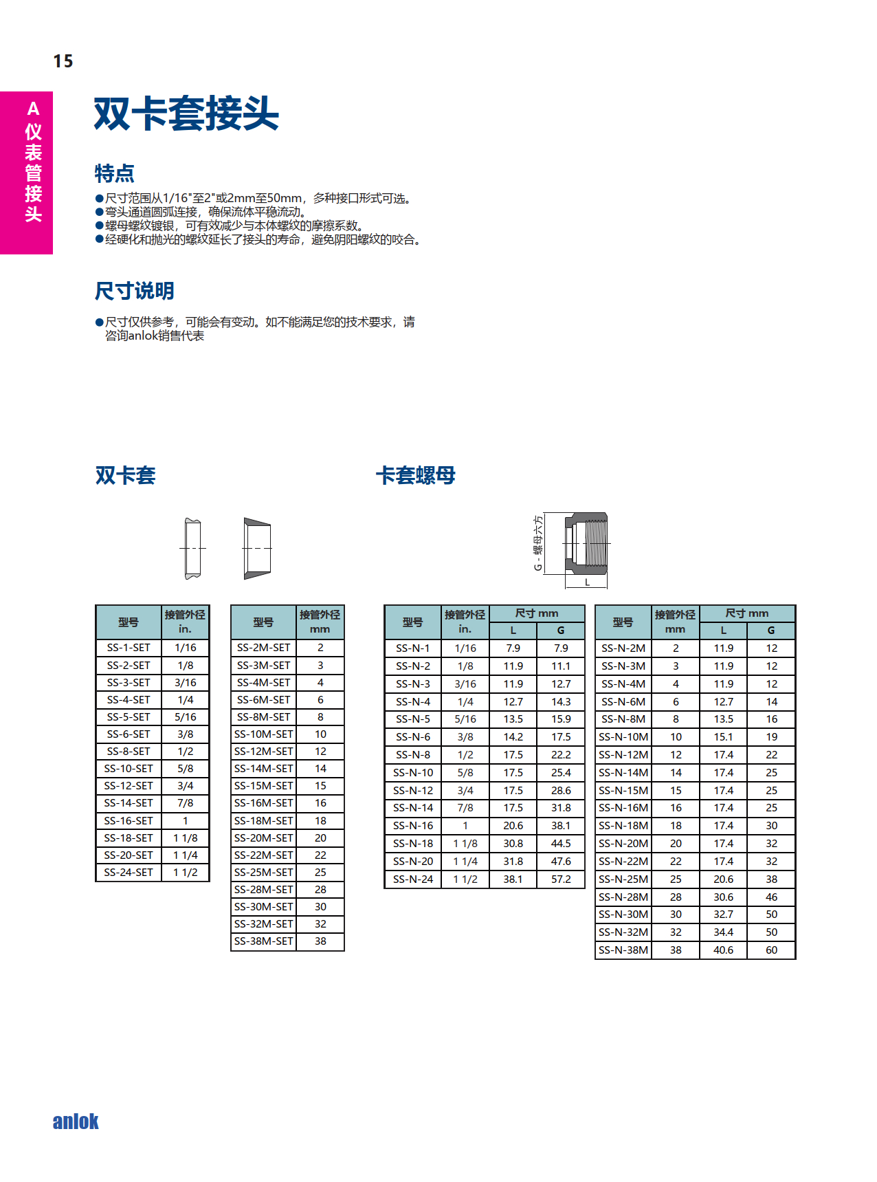
卡套管
资源
产品资料
证书
图纸
新闻
关于我们
公司简介
服务行业
联系我们
首页
产品
接头
球阀
针阀
隔膜阀
背压阀
减压阀
计量阀
单向阀
压力表阀
比例卸荷阀
波纹管阀
过滤器
仪表阀组
压力表
卡套管
资源
产品资料
证书
图纸
新闻
关于我们
公司简介
服务行业
联系我们
购物车
登录
首页
>
资源
>
产品资料
anlok通用产品总样册
发布时间:2024-03-29 点击量:19895
下一篇:
anlok中高压产品总样册
返回列表